探头尺寸
扁平探头尺寸

扁平探头 MHP 系列尺寸示意图
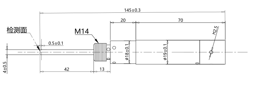
轴向探头尺寸

轴向探头 AHP 系列尺寸示意图
命名规则
特斯拉计探头线命名规则

霍尔探头线(HPW):Hall Probe Wire
特斯拉计探头命名规则

霍尔探头(HP):Hall Probe
探头规格型号
探头类型 | 探头型号 | 检测方式 | 规格 | 备注 |
轴向探头(旧) | AHP-30-8 | 霍尔感应式 | φ0.3mm | TM-10A 高斯计专用,易损 件,圆形轴向8芯接口探头 |
扁平探头(旧) | MHP-30-4 | 霍尔感应式 | φ0.3mm | TM-10A 高斯计专用,易损件,扁平/横向4芯接口探头 |
方形一体探头(旧) | AHP-30-0(-F) | 霍尔感应式 | φ0.3mm | TM-10A 高斯计专用,易损方形轴向直连探头 |
圆形轴向探头 | AHP-30-8-C | 霍尔感应式 | φ0.3mm | TM-10A 高斯计专用,易损件,圆形轴向8芯接口探头 |
扁平径向探头 | MHP-30-8 | 霍尔感应式 | φ0.3mm | TM-10A 高斯计专用,易损件,扁平径向8芯接口探头 |
方形一体探头 | AHP-30-0-S | 霍尔感应式 | φ0.3mm | TM-10A 高斯计专用,易损件,方形轴向直连探头 |
锥形轴向探头 | AHP-30-8-T | 霍尔感应式 | φ0.3mm | TM-10A 高斯计专用,易损件,锥形轴向8芯接口探 |