霍爾探頭


探頭尺寸


    扁平探頭尺寸

图片93.png

扁平探頭MHP系列尺寸示意圖




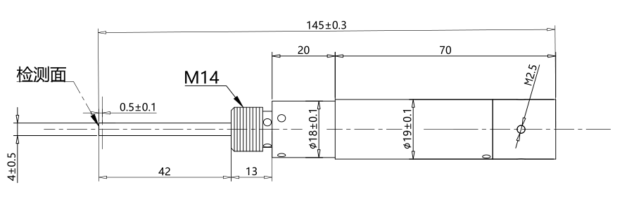
    軸向探頭尺寸


图片94.png

軸向探頭AHP系列尺寸示意圖



命名規則


        特斯拉計探頭線命名規則

图片95.png

霍爾探頭線(HPW):Hall Probe Wire



        特斯拉計探頭命名規則

图片96.png

霍爾探頭(HP):Hall Probe




探頭規格型號


探頭類型

探頭型號

檢測管道

規格

備註

軸向探頭(舊)

AHP-30-8

霍爾感應式

φ0.3mm

TM-10A高斯計專用,易損件,圓形軸向8芯介面探頭

扁平探頭(舊)

MHP-30-4

霍爾感應式

φ0.3mm

TM-10A高斯計專用,易損件,扁平/橫向4芯介面探頭

方形一體探頭(舊)

AHP-30-0(-F)

霍爾感應式

φ0.3mm

TM-10A高斯計專用,易損方形軸向直連探頭

圓形軸向探頭

AHP-30-8-C

霍爾感應式

φ0.3mm

TM-10A高斯計專用,易損件,圓形軸向8芯介面探頭

扁平徑向探頭

MHP-30-8

霍爾感應式

φ0.3mm

TM-10A高斯計專用,易損件,扁平徑向8芯介面探頭

方形一體探頭

AHP-30-0-S

霍爾感應式

φ0.3mm

TM-10A高斯計專用,易損件,方形軸向直連探頭

錐形軸向探頭

AHP-30-8-T

霍爾感應式

φ0.3mm

TM-10A高斯計專用,易損件,錐形軸向8芯介面探

 


線上諮詢

留言諮詢 等待回訪 免費定制